Bộ chuyển nguồn ATS Osemco OSS-62-TN 2P 200A được ứng dụng chuyển nguồn chính - phụ trong mạch điện 3 pha với chu kỳ ON - OFF - ON.
Thông số kỹ thuật ATS Osemco OSS-62-TN 2P:
| Thông số | Chi tiết |
| Mã sản phẩm | OSS-62-TN 2P |
| Dòng sản phẩm | ATS OSS TN |
| Dòng điện định mức | 200A |
| Số cực | 2P |
| Dòng cắt ngắn mạch ngắn hạn | 10kA |
| Trình tự chuyển mạch | A <-> OFF <-> B |
| Điện áp hoạt động định mức | 600VAC |
| Điện áp điều khiển | DC 110V; AC 110V; AC 220V |
| Tương thích bộ điều khiển | ACD-III, ACD-M |
| Tiêu chuẩn | IEC 60947-6-1; UL 1008 |
Phân loại dòng sản phẩm OSS-62-TN 2P 200A:
- Loại đấu dây trước (F):
| Tiếp điểm phụ | Điện áp hoạt động | AC 110V | AC 220V | DC 110V | DC 220V |
| 1c | ATS OSS-62-TN-F-2P-A1-1c | ATS OSS-62-TN-F-2P-A2-1c | ATS OSS-62-TN-F-2P-D1-1c | ATS OSS-62-TN-F-2P-D2-1c |
| 2c | ATS OSS-62-TN-F-2P-A1-2c | ATS OSS-62-TN-F-2P-A2-2c | ATS OSS-62-TN-F-2P-D1-2c | ATS OSS-62-TN-F-2P-D2-2c |
- Loại đấu dây sau (B):
| Tiếp điểm phụ | Điện áp hoạt động | AC 110V | AC 220V | DC 110V | DC 220V |
| 1c | ATS OSS-62-TN-B-2P-A1-1c | ATS OSS-62-TN-B-2P-A2-1c | ATS OSS-62-TN-B-2P-D1-1c | ATS OSS-62-TN-B-2P-D2-1c |
| 2c | ATS OSS-62-TN-B-2P-A1-2c | ATS OSS-62-TN-B-2P-A2-2c | ATS OSS-62-TN-B-2P-D1-2c | ATS OSS-62-TN-B-2P-D2-2c |
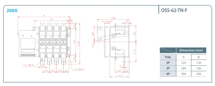
Kích thước ATS Osemco OSS-62-TN 2P 200A (mm):
- Loại fixed - đấu dây trước:

- Loại fixed - đấu dây sau:

- Loại draw-out:

Sơ đồ mạch điều khiển & mạch hoạt động:

Thông tin liên hệ mua hàng:
- Gọi ngay: 0904 99 88 77
- Email: kd@etinco.vn
- VP Miền Bắc: 33 BT5, KĐT mới Pháp Vân - Tứ Hiệp, Yên Sở, Hà Nội
- VP Miền Nam: Số 19 Lý Văn Phức, Tân Định, TP Hồ Chí Minh