Bộ chuyển nguồn ATS Vitzro C60200WN (VAT-620WN) 3P 2000A dùng để chuyển đổi nguồn trong mạch điện 3 pha với 3 vị trí ON - OFF - ON.
Thông số kỹ thuật ATS Vitzro C60200WN (VAT-620WN) 3P:
| Thông số | Chi tiết |
| Mã sản phẩm | C60200WN 3P |
| Dòng sản phẩm | ATS WN |
| Dòng điện định mức | 2000A |
| Số cực | 3P |
| Dòng cắt ngắn mạch ngắn hạn | 40kA |
| Trình tự chuyển mạch | A <-> OFF <-> B; A <-> Neutral (off) <-> B |
| Đấu dây | Sau |
| Thời gian chuyển mạch - Đóng | ≤180ms |
| Thời gian chuyển mạch - Ngắt | ≤35ms |
| Độ bền - Điện | 3,000 lần |
| Độ bền - Cơ | 5,000 lần |
| Điện áp hoạt động định mức | 690V |
| Điện áp cách điện định mức | 800V |
| Tương thích bộ điều khiển | Vitac 200 |
Kích thước (mm) Vitzro C60200WN (VAT-620WN) 3P:

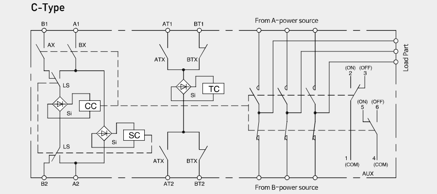
Sơ đồ mạch nội bộ Vitzro C60200WN (VAT-620WN) 3P:

Sơ đồ mạch điều khiển Vitzro C60200WN (VAT-620WN) 3P:

Thông tin liên hệ mua hàng:
- Gọi ngay: 0904 99 88 77
- Email: kd@etinco.vn
- VP Miền Bắc: 33 BT5, KĐT mới Pháp Vân - Tứ Hiệp, Yên Sở, Hà Nội
- VP Miền Nam: Số 19 Lý Văn Phức, Tân Định, TP Hồ Chí Minh