Biến tần 3 pha là thiết bị quan trọng trong môi trường công nghiệp có chức năng kiểm soát hoạt động động cơ tải nhờ khả năng biến đổi dòng điện đầu vào từ DC thành AC. Cùng tìm hiểu về cấu tạo, ứng dụng và cách phân loại của biến tần 3 pha trong bài viết dưới đây.
Khái niệm biến tần 3 pha
Biến tần 3 pha là thiết bị chuyển đổi nguồn DC thành đầu ra AC 3 pha (380V, 440V) thông qua cấu trúc chuyển mạch bán dẫn công suất. Trong cấu trúc này, tín hiệu cổng được áp dụng theo góc 60 độ đến các công tắc nguồn, tạo ra tín hiệu AC 3 pha cần thiết.

Biến tần 3 pha thường được sử dụng kết hợp với các module quang điện (PV) hoặc lưới điện, có ứng dụng rộng rãi trong các hệ thống năng lượng tái tạo như lắp đặt PV năng lượng mặt trời và môi trường công nghiệp, nơi nguồn điện 3 pha là yếu tố quan trọng để vận hành máy móc.
Ngoài ra, so với biến tần 1 pha, biến tần 3 pha là một giải pháp đa dạng và phổ biến hơn khi có khả năng điều khiển nhiều loại động cơ điện, như: động cơ không đồng bộ 3 pha, động cơ đồng bộ, động cơ có tần số thay đổi, động cơ servo không đồng bộ (ASM), động cơ spindle, động cơ truyền động trực tiếp.
Cấu tạo biến tần 3 pha
Biến tần 3 pha gồm 4 bộ phận chính: mạch chỉnh lưu, tụ điện nắn phẳng, mạch nghịch lưu và mạch điều khiển.
- Mạch chỉnh lưu: Bộ phận quan trọng giúp chuyển đổi dòng điện xoay chiều AC thành dòng điện 1 chiều DC thông qua thành phần bán dẫn (Diode).
- Tụ điện nắn phẳng: Đảm nhận việc làm mịn dòng điện một chiều, giúp làm giảm biến động của điện áp DC. Công đoạn này thường được thực hiện trước khi dòng điện được đưa vào mạch chỉnh lưu.
- Mạch nghịch lưu: Thông qua phương pháp điều chế độ rộng xung (PWM), mạch nghịch lưu chuyển đổi điện áp DC thành AC. PWM sử dụng việc bật/tắt linh hoạt các thành phần bán dẫn (công nghệ băm xung) giúp tạo ra dòng điện xoay chiều có tần số và biên độ kiểm soát được.
- Mạch điều khiển: Đảm nhận vai trò kiểm soát và điều khiển hoạt động của biến tần 3 pha, giúp duy trì độ ổn định của tốc độ động cơ, đồng thời cung cấp khả năng cài đặt chương trình chạy linh hoạt cho biến tần.
Nguyên lý làm việc của biến tần 3 pha
Nguyên lý làm việc của biến tần 3 pha trải qua 3 giai đoạn:
- Chuyển đổi đầu vào: Thông qua bộ chỉnh lưu cầu Diode và tụ điện, nguồn điện xoay chiều 3 pha được chỉnh lưu và lọc thành nguồn điện 1 chiều. Quá trình này giúp duy trì hệ số cos của biến tần là 0.96, không phụ thuộc vào tải.
- Điều chế độ rộng xung: Điện áp 1 chiều sau đó được biến đổi thành điện áp xoay chiều 3 pha đối xứng thông qua hệ IGBT sử dụng phương pháp điều chế độ rộng xung (PWM).
- Lọc đầu ra: Các xung điện áp sau khi qua điều chế sẽ được lọc qua mạch thụ động (thường là mạch điện cảm và điện dung). Giai đoạn này tinh chỉnh lại sóng sin đầu ra thành dòng AC 3 pha lý tưởng cho các thiết bị tải.
Những chế độ dẫn điện trên biến tần 3 pha
Có hai chế độ dẫn điện chính trong biến tần 3 pha gồm chế độ dẫn điện 120 độ và chế độ dẫn điện 180 độ. Các chế độ này đề cập đến thời gian và thời lượng chuyển mạch của các công tắc biến tần, đồng thời cho phép mức độ kiểm soát và chất lượng dạng sóng đầu ra khác nhau trong hoạt động của biến tần.
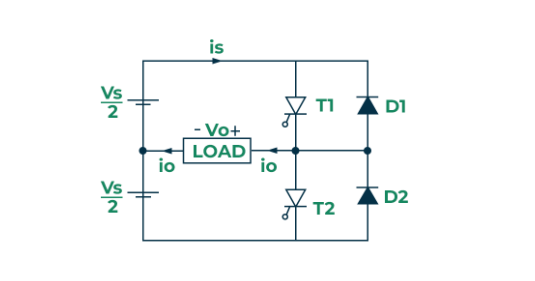
Chế độ dẫn điện 180 độ
Trong chế độ dẫn điện này, mỗi công tắc dẫn điện trong 180 độ của chu kỳ điện với sự kích hoạt xảy ra ở khoảng cách 60 độ. Các đầu ra được ký hiệu D, E và F có thể kết nối với tải theo sơ đồ hình sao hoặc tam giác
Trong khoảng góc pha từ 0 đến 60 độ, các công tắc S1, S5 và S6 ở trạng thái dẫn. Đầu cực D và F được nối với cực dương (+) của nguồn điện. Đầu cực E sẽ nối với cực âm (–) của nguồn. Ngoài ra, điện trở R/2 xuất hiện giữa điểm trung tính và cực dương, trong khi R nằm giữa trung tính và cực âm.
Cấu hình này đảm bảo biến tần 3 pha tạo ra dòng điện 3 pha cân bằng, phù hợp cho hệ thống truyền động động cơ và hệ thống điện công nghiệp.

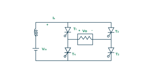
Chế độ dẫn điện 120 độ
Với chế độ này, mỗi công tắc dẫn điện trong 120 độ, phù hợp với tải đấu nối tam giác. Chế độ dẫn điện 120 độ tạo ra dạng sóng 6 bước trên một trong các pha. Trong mỗi nhánh pha, chỉ có 2 công tắc hoạt động tại bất kỳ thời điểm nào và mỗi công tắc sẽ dẫn điện trong ⅓ chu kỳ cơ bản.
Trong sơ đồ đấu nối tải, đầu cực D được nối với cực dương của nguồn, đầu cực E được nối với cực âm của nguồn và đầu cực F ở trạng thái nổi (không được nối với cực dương hay âm của nguồn).

Từ dạng sóng trên:
- Từ 0-60: s1 và s6 dẫn điện trong khi các công tắc còn lại mở.
- Từ 60 - 120: s1 và s2 dẫn điện trong khi các công tắc còn lại mở.
- Từ 120 - 180: s3 và s2 dẫn điện trong khi các công tắc còn lại mở.
- Từ 180 - 240: s3 và s4 dẫn điện trong khi các công tắc còn lại mở.
- Từ 240 - 300: s5 và s4 dẫn điện trong khi các công tắc còn lại mở.
- Từ 300 - 360: s5 và s6 dẫn điện trong khi các công tắc còn lại mở.
Các loại biến tần 3 pha
Biến tần nguồn điện áp VSI

Biến tần nguồn điện áp (VSI) còn được gọi là biến tần cấp điện áp, chuyên biến đổi điện áp nguồn điện, phù hợp với các hệ thống mà nguồn DC có trở kháng không đáng kể hoặc thấp.
VSI thường được dùng trong các hệ thống Biến tần tần số (VFD) để điều khiển tốc độ của động cơ 3 pha, đồng thời được sử dụng cho các hoạt động buck. Trong VSI, nguồn điện DC thường được cung cấp bởi các cụm pin năng lượng mặt trời hay bộ lưu điện.
Biến tần nguồn DC - AC

Biến tần nguồn dòng điện chuyên biến đổi dòng điện DC thành AC ở tần số yêu cầu, với dòng điện nguồn luôn không đổi. Do đó, loại biến tần này còn được gọi là biến tần cấp dòng điện.
Biến tần nguồn dòng điện chỉ dùng để tăng cường dòng điện đầu vào cho 1 động cơ nên được ứng dụng trong khởi động động cơ đồng bộ, bộ hiệu chỉnh hệ số công suất, điều khiển tốc độ động cơ AC, máy sưởi cảm ứng, máy phát plasma, bộ nguồn điện liên tục (UPS), bộ bù Var trễ,...
Biến tần đa cấp xếp tầng

Bộ biến tần 3 pha này được thiết kế cho các ứng dụng tiện ích điện, cung cấp khả năng điều khiển chính xác bằng cách sử dụng nhiều mức điện áp để tạo ra dạng sóng bậc thang.
Biến tần đa cấp xếp tầng đóng vai trò quan trọng trong hệ thống năng lượng tái tạo và truyền tải điện áp cao, yêu cầu dòng điện đầu ra AC ổn định.
Biến tần đa cấp lai

Biến tần đa cấp lai được thiết kế đặc biệt cho các ứng dụng công nghiệp có nhu cầu điện áp trung bình và công suất cao, là sự kết hợp các thành phần của cả biến tần nguồn dòng điện và nguồn điện áp.
Biến tần này đóng vai trò quan trọng trong việc nâng cao cơ sở hạ tầng điện, cho phép sạc hiệu quả các xe điện và đáp ứng nhu cầu của các hoạt động công nghiệp công suất cao.
Biến tần điều chế độ rộng xung

Pulse with Modulated (PWM) là bộ biến tần chuyên dụng sở hữu kỹ thuật điều chế độ rộng xung để kiểm soát chính xác tần số và điện áp đầu ra. Bộ biến tần này hoạt động bằng cách bật và tắt nhanh các Transistor lưỡng cực cổng cách điện (IGBT), cho phép tạo ra điện áp hình sin gần như lý tưởng với độ méo hài tối thiểu. Ưu điểm chính là khả năng tạo ra nguồn điện xoay chiều chất lượng cao, giống với dạng sóng sin chuẩn, phù hợp với các ứng dụng cần điện sạch và ổn định như hệ thống năng lượng tái tạo (năng lượng mặt trời, gió), bộ truyền động động cơ,...
Ứng dụng của biến tần 3 pha

Biến tần 3 pha có ứng dụng rộng rãi trong hệ thống công nghiệp, nông nghiệp, xây dựng và cả thương mại.
- Trong các lĩnh vực truyền động tần số thay đổi:
- Trong truyền tải điện áp cao HVDC
- Cung cấp năng lượng cho máy móc hạng nặng như máy nghiền, băng tải,..
- Trong nông nghiệp để hỗ trợ bơm nước tưới tiêu và các hoạt động canh tác khác.
- Sử dụng trong xe điện để chuyển đổi nguồn điện một chiều từ ắc quy thành điện xoay chiều ba pha dẫn động động cơ điện.
- Điều khiển và cung cấp năng lượng cho động cơ điện, máy bơm, quạt, băng tải và thiết bị sản xuất công nghiệp.
Ưu nhược điểm của biến tần 3 pha
Ưu điểm của biến tần 3 pha
- Truyền tải nhiều điện năng hơn trên cùng quãng đường dài so với điện 1 pha.
- Hiệu suất cao do phân phối tải cân bằng trên cả 3 pha, từ đó giảm tổn thất năng lượng và chi phí vận hành điện.
- Cung cấp điện áp và dòng điện đầu ra ổn định và cân bằng hơn, cải thiện chất lượng điện năng.
- Giảm thiểu hiện tượng méo sóng hài trong hệ thống điện.
- Tương thích hơn với lưới điện, đồng thời ít bị ảnh hưởng bởi hiện tượng quá áp.
- Một số loại có kích thước nhỏ và nhẹ nên thuận tiện hơn cho quá trình lắp đặt.
Nhược điểm của biến tần 3 pha
- Do có thiết kế và cấu trúc phức tạp cùng công suất lớn nên chi phí đầu tư đắt hơn loại 1 pha, đồng thời quá trình cài đặt, lắp đặt cũng đòi hỏi người vận hành phải có trình độ, kinh nghiệm.
- Đôi khi biến tần 3 pha tạo ra nhiễu điện từ ảnh hưởng đến thiết bị và hệ thống điện.
- Biến tần 3 pha phù hợp với các ứng dụng công suất lớn nên sẽ rất lãng phí năng lượng nếu được lắp đặt ở các cơ sở sản xuất quy mô nhỏ và vừa.
- Chi phí bảo trì lớn do thiết kế phức tạp.
Mua biến tần 3 pha chính hãng, chiết khấu cao tại Etinco
Etinco tự hào là đại lý cấp 1 của biến tần LS tại Việt Nam. Chúng tôi cung cấp đa dạng các mã biến tần 3 pha LS như sau:
Biến tần LS Series M100 – Dòng Micro nhỏ gọn
Biến tần LS Series M100 là lựa chọn tối ưu cho các không gian hẹp. So với các dòng iC5 và iE5 trước đó, M100 được cải tiến với nhiều tính năng giúp giảm thiểu chi phí và thời gian lắp đặt.

LS Series M100 được sử dụng trong các ngành như IAQ (chất lượng không khí trong nhà), băng tải nhỏ, quạt, bơm, máy nén và các thiết bị như máy lạnh, tủ lạnh, máy mài, máy quay sợi.
Biến tần LS Series iG5A – Dòng kinh tế
Biến tần LS Series iG5A là dòng đa năng, với thiết kế nhỏ gọn hơn 46% so với phiên bản trước, giúp tiết kiệm không gian lắp đặt.

Loại này được sử dụng cho máy nâng hạ, máy dệt, bơm, quạt và các thiết bị yêu cầu điều khiển vị trí chính xác như thang máy, cần cẩu.
Biến tần LS Series G100 – Dòng đa năng

Biến tần LS Series G100 được tối ưu cho nhiều ngành công nghiệp, với hiệu suất mô-men cải thiện và khả năng điều khiển sensorless mạnh mẽ. LS Series G100 phù hợp cho các thiết bị như máy cắt, uốn, bơm, máy nén, cẩu trục trong các ngành gia công kim loại, xử lý nước và môi trường.
Biến tần LS Series S100 – Dòng tiêu chuẩn

Biến tần LS Series S100 cung cấp khả năng điều khiển sensorless tiên tiến, thiết kế nhỏ gọn và hiệu suất cao, phù hợp cho các ứng dụng như cần cẩu, băng chuyền, máy nén.
Biến tần LS Series H100 – Dòng chuyên dụng cho quạt, bơm

Biến tần LS Series H100 được thiết kế để tiết kiệm năng lượng, chuyên dùng cho hệ thống quạt, bơm trong các ngành HVAC và xử lý nước.
Biến tần Starvert IS7

Dòng biến tần LS Starvert IS7, thay thế cho dòng iG5A với hiệu suất mạnh mẽ, cấu trúc thông minh, được sử dụng cho tải nặng như máy nén, băng tải, máy khuấy,…
Ngoài việc cung cấp sản phẩm chính hãng, nhập khẩu trực tiếp từ nhà sản xuất, chúng tôi còn cam kết giá cả cạnh tranh cùng chiết khấu tốt nhất thị trường khi khách hàng lựa chọn biến tần 3 pha LS từ Etinco. Gọi ngay 0904 99 88 77 để nhận được báo giá và tư vấn.