Biến tần trung thế là thiết bị phổ biến đối với các đơn vị sử dụng động cơ trung thế. Trong bài viết dưới đây, Etinco sẽ thông tin đến bạn về cấu tạo, phân loại và ứng dụng của loại biến tần này.
Khái niệm về biến tần trung thế

Biến tần trung thế là thiết bị chuyên dụng dùng để điều khiển tốc độ động cơ ở điện áp trung thế (từ 1kV đến 35kV) bằng cách chuyển đổi điện áp và tần số đầu vào. Đây là giải pháp quan trọng trong công nghiệp nặng, đòi hỏi phải kiểm soát tốc độ thay đổi của máy nén, máy bơm, quạt, băng tải, máy nghiền,... giúp tiết kiệm năng lượng, tăng tuổi thọ thiết bị và giảm chi phí vận hành, bảo trì.
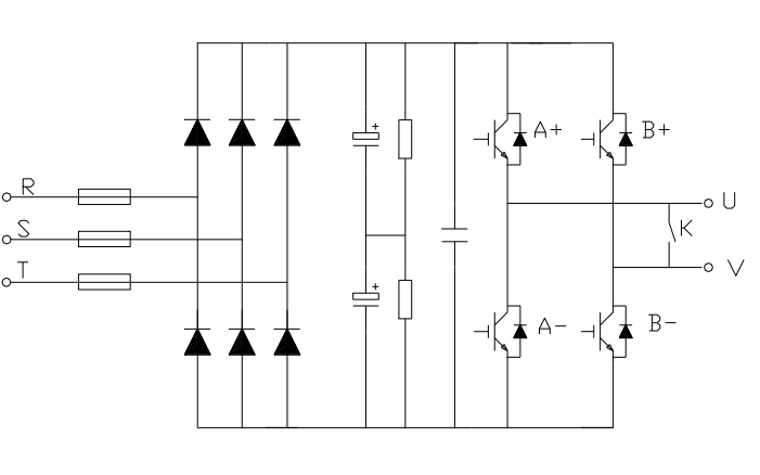
Cấu tạo biến tần trung thế
Biến tần trung thế được thiết kế theo dạng tủ biến tần. Với mỗi loại công suất và nhu cầu sử dụng, biến tần trung thế sẽ có cấu tạo khác nhau nhưng cơ bản vẫn bao gồm 4 bộ phận chính:
- Tủ điều khiển: gồm có PLC và mô đun truyền thông, có chức năng tính toán và gửi tín hiệu đến các power cell. Màn hình tủ điều khiển hiển thị các thông số về tần số, điện áp, dòng điện và bàn phím điều khiển giúp điều chỉnh các tham số vận hành của biến tần.
- Tủ biến áp: có chức năng hạ áp điện áp nguồn xuống mức thích hợp và cấp cho các power cell.
- Power cell: Các power cell được điều khiển bằng tín hiệu điện quang để đảm bảo sự đồng bộ. Tùy vào công suất và điện áp thì mỗi pha có thể có từ 3 đến 8 power cell hoặc hơn.
- Hệ thống làm mát: Có chức năng tản nhiệt cho power cell và các linh kiện điện tử bên trong biến tần, có thể sử dụng nước, quạt hoặc khí nén.

Nguyên lý làm việc của biến tần trung thế
Biến tần trung thế hoạt động dựa trên nguyên lý chuyển đổi tần số và điện áp của dòng điện xoay chiều (AC) để điều khiển động cơ trung thế. Quy trình này gồm 4 giai đoạn chính:
- Chỉnh lưu: Điện áp xoay chiều đầu vào (điện áp trung thế 3 pha) được chỉnh lưu thành điện áp 1 chiều thông qua bộ chỉnh lưu cầu diode và tụ điện. Bộ lọc được sử dụng để làm mịn điện áp DC đầu ra, loại bỏ gợn sóng và nhiễu.
- Nghịch lưu: Thông qua bộ nghịch lưu IGBT, điện áp DC được biến đổi thành AC với tần số và điện áp mong muốn. Điện áp và tần số đầu ra cũng được điều chỉnh bằng cách điều khiển tín hiệu IGBT.
- Điều khiển tốc độ: Hệ thống điều chỉnh và giám sát hoạt động của biến tần dựa trên nhiều thông số như tốc độ động cơ, momen xoắn, tải trọng,... Hệ thống điều khiển đảm bảo động cơ hoạt động ổn định và hiệu quả.
- Đầu ra: Điện áp xoay chiều biến đổi được cấp cho động cơ AC, giúp điều chỉnh tốc độ và momen của động cơ.
Về cơ bản, hoạt động của biến tần trung thế phụ thuộc vào các power cell đóng vai trò như những biến tần nhỏ, có chức năng chỉnh lưu dòng điện xoay chiều hạ áp nghịch lưu thành điện xoay chiều với tần số theo yêu cầu. Để đảm bảo sự đồng bộ, các power cell này được điều khiển bằng tín hiệu điện quang, được mắc nối tiếp hoặc mắc tầng.

Các loại biến tần trung thế hiện nay
Tùy theo không gian và công suất mà biến tần trung thế được phân loại thành 3 nhóm chính:
- Dòng Compact: Có thiết kế nhỏ gọn và đơn giản nên thường được dùng ở khu vực nhỏ hẹp, không có nhiều không gian lắp đặt.

- Dòng Water Cooled: Loại biến tần chuyên dụng dành cho dòng điện lớn hơn 800A nên cần giải nhiệt bằng nước để đảm bảo năng suất và tuổi thọ thiết bị.

- Dòng Separated: Loại biến tần thông dụng nhất với công suất vừa phải, kích thước không quá lớn, đặc biệt có khả năng làm mát tốt. Tuy nhiên, trong quá trình vận hành vẫn cần giải nhiệt bằng nước cho biến tần để đảm bảo tuổi thọ thiết bị.

Ứng dụng của biến tần trung thế
Biến tần trung thế được ứng dụng đa dạng trong nhiều ngành công nghiệp.
- Ngành khai thác mỏ, khai thác khoáng sản: Điều khiển máy nghiền, động cơ của băng tải hàng, quạt công nghiệp hay các máy móc cơ giới.
- Sản xuất giấy, bột giấy: Dùng cho máy băm, máy cắt, máy nghiền, lọc dầu hay bơm chân không.
- Ngành dầu khí, hóa chất: Các máy nén khí, máy trộn, máy thổi… đều cần đến biến tần.
Ngoài ra, biến tần còn được sử dụng trong nhà máy chế tạo cơ khí, sản xuất xi măng, cấp thoát nước, xử lý rác thải…
Etinco vừa giới thiệu các thông tin quan trọng như định nghĩa, cấu tạo, nguyên lý hoạt động và ứng dụng của biến tần trung thế. Nếu có nhu cầu tìm hiểu các thông tin về biến tần hoặc các thiết bị khác, bạn có thể truy cập: https://etinco.titanweb.vn/tin-tuc/.