Bộ điều khiển ATS BTB Electric ATbS C55 điều khiển chuyển mạch A - OFF - B; A - B linh hoạt, cơ chế hiển thị màn hình hiện đại, các chế độ điều khiển tự động - thủ công. Sản phẩm có thể dùng để điều khiển 2 ACB hoặc 2 contactor có chức năng bảo vệ điện áp, tần số, mất pha.
Thông số kỹ thuật Bộ điều khiển ATS BTB Electric ATbS C55:
| Thông số | Chi tiết |
| Mã sản phẩm | ATbS C55 |
| Dòng sản phẩm | ATS Controller ATbS |
| Nguồn cấp | 3P4W (170~277VAC ph-N) / 1P2W (170~277VAC) |
| Tần số | 50/60 Hz |
| Điện áp hoạt động | 170~277V |
| Điện năng tiêu thụ | ≤3W |
| Kích thước | 139(W) × 120(H) × 50(D) mm |
| Trọng lượng | 620 g |
Kích thước Bộ điều khiển ATS BTB Electric ATbS C55:

Hướng dẫn sử dụng Bộ điều khiển BTB Electric ATbS C55:

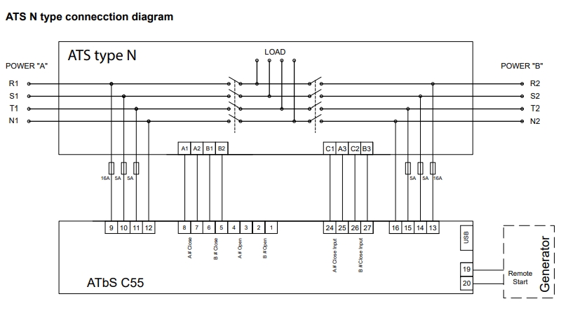
Hướng dẫn kết nối Bộ điều khiển BTB Electric ATbS C55:



Thông tin liên hệ mua hàng:
- Gọi ngay: 0904 99 88 77
- Email: kd@etinco.vn
- VP Miền Bắc: 33 BT5, KĐT mới Pháp Vân - Tứ Hiệp, Yên Sở, Hà Nội
- VP Miền Nam: Số 19 Lý Văn Phức, Tân Định, TP Hồ Chí Minh