Bộ điều khiển ATS Socomec ATyS C25 - ATS Controller ATyS C25 - 16000025 được dùng để điều khiển bộ chuyển nguồn ATS từ xa với bộ hẹn giờ và ngưỡng cố định.
Thông số kỹ thuật Bộ điều khiển ATS Socomec ATyS C25:
| Thông số | Chi tiết |
| Mã sản phẩm | ATyS C25 - 16000025 |
| Dòng sản phẩm | ATS Controller ATyS |
| Tương thích ATS | ATyS r |
| Nguồn cấp | 24VDC |
| Tần số | 45 - 65Hz |
| Điện áp hoạt động | 184~300VAC |
| Điện năng tiêu thụ | <10W |
| Cổng truyền thông | RS485 |
| Kích thước | 144 x 96 x 106 mm |
| Trọng lượng | 845 gr |
| Tiêu chuẩn | IEC 60947-6-1; GB 14048-11 |

Kích thước Bộ điều khiển ATS Socomec ATyS C25:

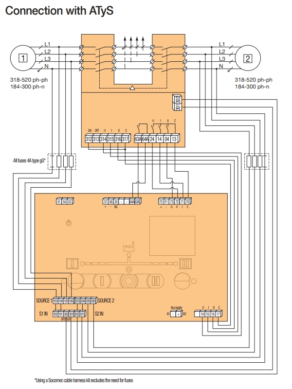
Hướng dẫn lắp đặt và kết nối Bộ điều khiển ATS Socomec ATyS C25:



Hướng dẫn sử dụng Bộ điều khiển ATS Socomec ATyS C25 (tiếng Anh):

| 1. Source 1 availability information | Green fixed when source 1 is present and available and within threshold limits, green blinking when source 1 is present but outside of threshold limits, off when under 50VAC. |
| 2. Switch 1 LED position indication | Green fixed when in position 1. |
| 3. Zero position LED indication | Yellow when in position 0. |
| 4. Load supplied information | Green fixed when load is supplied by an available source, green blinking when load is supplied with a source which is present but outside of threshold limits. |
| 5. Switch 2 LED position indications | Green fixed when in position 2. |
| 6. Source 2 availability information | Green fixed when source 2 is present and available and within threshold limits, green blinking when source 2 is present but outside of threshold limits, off when under 50VAC |
| 7. Auto LED indication | Green fixed when in automatic, blinking when transfer is ongoing or when a fault is active, off when in manual mode, inhibit mode or test mode. |
| 8. Test LED | Yellow fixed when test on load is ongoing, orange blinking. |
| 9. Configurations dip switches | See settings. |
| 10. Run LED | Green when product is powered. |
| 11. COM LED | Yellow blinking when RS communications is ongoing. |
| 12. Fault LED | Red blinking – long blink when fault or inhibit is activated (63A/64A open), short blink when a dip switch parameter has been changed and needs validation. |
| 13. Fire | Red when fire input is activated. |
| 14. Change AUTO/MANU pushbutton | Press at least 3 seconds to switch from AUTO to MANU or MANU to AUTO |
| 15. Remote order to switch positions | Controller must be in MANU mode for the buttons to be active. |
| 16. Test button with two functions lamp test and TEST ON LOAD | To start a lamp test short press on the test button (<3s) ,press again (<3s) to end test. To start a TEST ON LOAD, long press on the test button (>3s), when LED (8) is blinking press the “0” button. To end the TEST on load long press on the test button (>3s). |
Thông tin liên hệ mua hàng:
- Gọi ngay: 0904 99 88 77
- Email: kd@etinco.vn
- VP Miền Bắc: 33 BT5, KĐT mới Pháp Vân - Tứ Hiệp, Yên Sở, Hà Nội
- VP Miền Nam: Số 19 Lý Văn Phức, Tân Định, TP Hồ Chí Minh