Bộ điều khiển tụ bù Mikro 12 cấp PFR120-415-60 có các tính năng:
- Điều khiển chuyển mạch tự động thông minh dựa trên vi xử lý
- Tự động thiết lập C/K và bước định mức
- Tự động điều chỉnh phân cực biến dòng CT
- Hiển thị hệ số công suất cosφ, cường độ dòng điện và độ méo hài tổng
- Có thể lập trình độ nhạy
- Bước cuối cùng có thể dùng làm đầu ra tiếp điểm cảnh báo/ điều khiển quạt
- Báo động điện áp cao/thấp, dòng điện cao/thấp, hệ số cosφ cao/thấp, độ méo hài cao
Thông số kỹ thuật Bộ điều khiển tụ bù Mikro PFR120-415-60:
| Thông số | Chi tiết |
| Mã sản phẩm | PFR120-220-60 |
| Dòng sản phẩm | Bộ điều khiển tụ bù PFR |
| Điện áp nguồn | 380 ~ 415 V AC |
| Dòng điện ngõ vào | 5A |
| Số tiếp điểm ngõ ra | 12 |
| Điện áp định mức ngõ ra | 250V AC |
| Tần số | 60Hz |
| Cài đặt hệ số công suất | 0.8 Ind - 0.8 Cap |
| Cài đặt C/K | 0.03 - 1.20 / Tự động |
| Độ nhạy chuyển cấp | 5 - 600 giây/bước |
| Ngưỡng sóng hài THD | 0.20 - 3.00 (20% - 300%) / Tắt |
| Chương trình chuyển đổi | Auto / Auto Rotate / Four-quadrant / Manual |
| Kích thước (W x H x D) | 144 x 144 x 90 mm |
| Cấp bảo vệ | IP54 |
| Tiêu chuẩn | IEC 61000-6-2 |
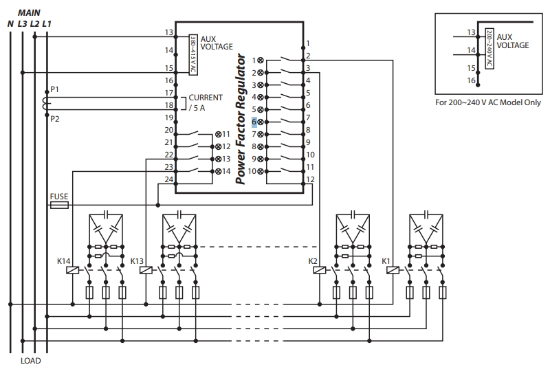
Sơ đồ mạch điều khiển cho Mikro PFR120-415-60:

Thông tin liên hệ mua hàng:
- Gọi ngay: 0904 99 88 77
- Email: kd@etinco.vn
- VP Miền Bắc: 33 BT5, KĐT mới Pháp Vân - Tứ Hiệp, Yên Sở, Hà Nội
- VP Miền Nam: Số 19 Lý Văn Phức, Tân Định, TP Hồ Chí Minh