Cuộn kháng Epcos B44066D7012M440 7% tụ bù 3P 12.5kVAr 440V 50Hz được sử dụng để kháng sóng hài cho tụ bù Epcos và các dòng tụ bù khác. Sản phẩm được Etinco phân phối chính hãng tại Việt Nam.
Thông số kỹ thuật:
| Thông số | Chi tiết |
| Mã sản phẩm | B44066D7012M440 |
| Dòng sản phẩm | Cuộn kháng B44 |
| Tỷ lệ kháng hài | 7% |
| Điện áp định mức | 440V |
| Số cực tụ bù | 3P |
| Dung lượng tụ bù | 12.5kVAr |
| Tần số | 50Hz |
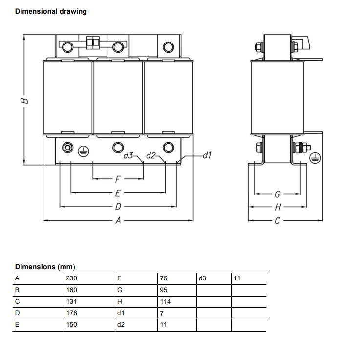
Kích thước cuộn kháng Epcos B44066D7012M440 12.5kVAr 7% 440V:

Thông tin liên hệ mua hàng:
- Gọi ngay: 0904 99 88 77
- Email: kd@etinco.vn
- VP Miền Bắc: 33 BT5, KĐT mới Pháp Vân - Tứ Hiệp, Yên Sở, Hà Nội
- VP Miền Nam: Số 19 Lý Văn Phức, Tân Định, TP Hồ Chí Minh