Điện trở không chỉ là linh kiện quan trọng trong lĩnh vực điện tử mà còn là đại lượng vật lý quen thuộc trong mạch điện. Cùng tìm hiểu về khái niệm, phân loại, nguyên lý làm việc và tính ứng dụng của điện trở trong bài viết dưới đây của Etinco.
Điện trở là gì?
Điện trở (Resistor) là một linh kiện điện tử thụ động với 2 tiếp điểm nối có chức năng điều chỉnh mức độ tín hiệu, hạn chế cường độ dòng điện chảy trong mạch. Điện trở cũng được dùng để chia điện áp, kích hoạt các linh kiện điện tử chủ động như transistor, tiếp điểm cuối trong đường truyền điện,...

Trong điện tử và điện từ học, điện trở của một vật là đại lượng vật lý đặc trưng cho tính chất cản trở dòng điện của vật đó. Điện trở được tính toán dựa trên tỷ lệ giữa hiệu điện thế ở hai đầu của vật thể và cường độ dòng điện đang chảy qua.
Ví dụ, các chất liệu không dẫn điện như nhựa, vải và giấy có điện trở lớn (khoảng 10-16 Ω). Các vật liệu dẫn điện như kim loại có điện trở thấp hơn. Đặc biệt, vật liệu siêu dẫn điện có điện trở bằng 0.
Điện trở công suất thường giúp tiêu tán 1 lượng lớn điện năng chuyển sang nhiệt năng trong các hệ thống phân phối điện, trong các bộ điều khiển động cơ. Các điện trở thường có trở kháng cố định, ít bị thay đổi bởi nhiệt độ và điện áp hoạt động. Để thay đổi trở kháng, có thể sử dụng thêm biến trở.
Ký hiệu và đơn vị của điện trở
Ký hiệu điện trở
Ký hiệu của điện trở trong một sơ đồ mạch điện thay đổi tùy theo tiêu chuẩn của mỗi quốc gia. Thường có 2 loại phổ biến sau:
| Ký hiệu kiểu Mỹ | Ký hiệu kiểu IEC |
![]() |
![]() |
Với các tài liệu nước ngoài, các giá trị ghi trên điện trở thường được quy ước bao gồm 1 chữ cái xen kẽ với các chữ số theo tiêu chuẩn IEC 6006. Ví dụ 8k3 có nghĩa là 8.3 kΩ, 1R3 nghĩa là 1.3 Ω, và 15R có nghĩa là 15Ω.
Đơn vị đo lường điện trở
Theo hệ đo lường quốc tế (SI), đơn vị đo của điện trở là Ohm, có ký hiệu là Ω. Đơn vị đo này được đặt theo tên của nhà vật lý nổi tiếng người Đức Georg Simon Ohm– người đã phát minh ra định luật Ohm.
Ngoài ra, điện trở còn có nhiều giá trị khác nhau, nhỏ hơn hoặc lớn hơn gấp nhiều lần bao gồm: mΩ (milliohm), KΩ (kilohm), MΩ (megaohm).
Trong đó:
- 1 mΩ = 0.001 Ω
- 1 KΩ = 1000 Ω
- 1 MΩ = 1000 KΩ = 1.000.000 Ω
Công thức tính toán điện trở
Điện trở có nguyên lý hoạt động theo định luật Ohm: điện áp (U) đi qua điện trở tỉ lệ thuận với cường độ dòng điện (I) và tỉ lệ này là 1 hằng số điện trở (R).
Điện trở có công thức tiêu chuẩn như sau:

- U: hiệu điện thế giữa 2 đầu vật dẫn điện, đơn vị Vôn (V)
- I: cường độ dòng điện đi qua vật dẫn điện, đơn vị Ampe (A).
- R: điện trở của vật dẫn điện, đơn vị Ohm (Ω).
Ví dụ: Nếu 1 điện trở 400 được nối vào điện áp 1 chiều 14V, cường độ dòng điện đi qua điện trở được tính: 14/400 = 0.035A
Phân loại điện trở

Điện trở được phân loại theo nhiều tiêu chí khác nhau.
Theo giá trị
- Điện trở cố định: loại điện trở đã được cố định giá trị từ khi sản xuất và không thể thay đổi trong quá trình sử dụng, thường là điện trở hợp chất cacbon và điện trở làm bằng chì.
- Điện trở không cố định: còn được gọi là biến trở hoặc chiết áp. Đây là điện trở có giá trị điện trở suất có thể thay đổi trong quá trình sử dụng.
Theo tính chất dẫn điện
- Điện trở tuyến tính: là điện trở khi gia tăng sự chênh lệch điện áp thì trở kháng cũng không thay đổi.
- Điện trở phi tuyến tính: Là điện trở khi có dòng điện đi qua, trở suất sẽ thay đổi. Điện trở sẽ thay đổi tỷ lệ thuận với sự chênh lệch điện áp. Điện trở phi tuyến tính sẽ làm cho cả mạch trở thành phi tuyến tính. Các thông số trong điện trở này chỉ cần thay đổi nhỏ cũng có thể dẫn đến những biến đổi lớn của điện áp và dòng điện nên được dùng trong chỉnh lưu, bộ khuếch đại,…
Theo chức năng
- Điện trở nhiệt: loại điện trở này còn được gọi là Thermistor, rất nhạy cảm với nhiệt. Giá trị điện trở suất sẽ thay đổi theo nhiệt độ trong quá trình hoạt động. Thermistor lại được phân loại thành hệ số nhiệt độ dương - Positive temperature coefficient (PTC) hoặc là Negative temperature coefficient (NTC) - hệ số nhiệt độ âm.
- Điện trở nóng chảy: còn gọi là Fusible Resistor. Điện trở này có tính chất đặc biệt là dễ bị nung hỏng khi công suất qua điện trở vượt mức cho phép. Khi điện áp vượt mức, điện trở như một chiếc cầu chì để bảo vệ mạch điện.
- Điện trở quang (Photoresistor): có tính chất tương tự điện trở nhiệt, quang trở cũng sẽ dễ dàng thay đổi giá trị trở kháng theo ánh sáng chiếu vào bề mặt của nó. Điện trở quang có giá trị rất cao khi ở trong môi trường tối và sẽ bị giảm khi tiếp xúc với ánh sáng, đặc biệt là ánh sáng mạnh.
Theo chất liệu, cấu tạo
- Điện trở cacbon.
- Điện trở màng hay điện trở gốm kim loại.
- Điện trở dây quấn.
- Điện trở film.
- Điện trở bề mặt.
- Điện trở băng.
Bảng màu điện trở và cách đọc điện trở
Cách đọc điện trở qua bảng màu
Trong thực tế, ngoài việc nhà sản xuất in giá trị điện trở lên linh kiện, cũng có thể dựa vào màu in trên điện trở để đọc giá trị.
Thông thường, điện trở có 4 vòng màu, trong đó 2 vòng màu đầu là 2 chữ số đầu của giá trị. Vòng thứ 3 thể hiện số chữ số “0” đứng sau. Vòng thứ 4 thể hiện sai số.


Ví dụ: Một điện trở có 4 vòng màu đỏ đỏ nâu và ngân nhũ thì giá trị điện trở là gì?
Dựa vào bảng màu thể hiện giá trị điện trở: Màu Đỏ có giá trị là 2. Màu Nâu có giá trị là 1. Ngân Nhũ có sai số là 5%. Như vậy, các số tương ứng với vòng màu là: 2 2 1 5%
Giá trị của điện trở được tính bằng cách ghép 2 số đầu tiên và thêm vào đằng sau 1 số 0. Vậy giá trị điện trở là 220Ω, sai số 5%.
Quy ước trên sơ đồ nguyên lý
Trên sơ đồ nguyên lý, điện trở được biểu thị bằng 1 hình chữ nhật dài, trên thân có vạch để phân biệt công suất của điện trở và cách đọc theo quy ước sau:
- Hai vạch chéo (//) = 0.125w.
- Một vạch chéo (/) = 0.25w.
- Một vạch ngang (-) = 0.5w.
- Một vạch đứng (|)= 1.0w.
- Hai vạch đứng (||) = 2.0w.
- Hai vạch chéo vào nhau (\/)= 5.0w.
- (X) = 10.0w.
Trong trường hợp điện trở không ghi đơn vị và cách đọc theo quy ước sau:
- Từ 1Ω tới 999Ω ghi là 1K tới 999K
- Từ 1 MΩ trở lên thì ghi là 1,0; 2,0; 3,0,… 10,0…20,0…
Sơ đồ mắc điện trở
Điện trở có 3 cách mắc nối phổ biến là mắc nối tiếp, mắc song song và mắc hỗn hợp.
Điện trở mắc nối tiếp

Các điện trở mắc nối tiếp có giá trị tương đương bằng tổng các điện trở thành phần cộng lại.
Công thức: ![]()
Dòng điện chạy qua các điện trở mắc nối tiếp có giá trị bằng nhau và bằng:

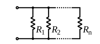
Điện trở mắc song song

Các điện trở mắc song song có giá trị tương đương (Rtd) được tính bằng công thức:

Điện áp trên các điện trở mắc song song luôn bằng nhau.
Sơ đồ điện trở mắc hỗn hợp

Công thức tính điện trở mắc hỗn hợp:

Mắc hỗn hợp các điện trở có ưu điểm là tạo điện trở tối ưu hơn. Ví dụ, nếu chúng ta cần 1 điện trở 9K, ta có thể mắc 2 điện trở 15K song song sau đó mắc nối tiếp với điện trở 1.5K.
Ứng dụng của điện trở
Thực tế, điện trở có nhiều ứng dụng trong đời sống. Trong đó, ứng dụng phổ biến nhất là để khống chế dòng điện qua tải sao cho phù hợp với các thiết bị khác. Lấy ví dụ, có nguồn điện 12V nhưng bóng đèn mua về chỉ có thể hoạt động ở mức 9V. Trường hợp này có thể sử dụng điện trở đấu nối bóng đèn để điện áp sụt giảm 3V trên điện trở.
Ngoài ra, để tạo ra một điện áp theo ý muốn từ một điện áp cho trước, chúng ta có thể sử dụng điện trở để tạo thành cầu phân áp.

Một số ứng dụng khác của điện trở như:
- Phân cực cho bóng bán dẫn: Điện trở tham gia vào việc phân cực cho các bóng bán dẫn hoạt động.
- Tham gia vào các mạch tạo dao động R C: Điện trở cùng với tụ điện tạo thành mạch dao động R C, được sử dụng trong các thiết bị tạo sóng và đồng hồ.
- Tạo ra nhiệt lượng cần thiết: Điện trở có thể dễ dàng tạo ra nhiệt lượng cần thiết trong các ứng dụng như máy sấy, máy hàn và các thiết bị khác.
Trên đây là tổng hợp kiến thức về nguyên lý hoạt động, cách đấu nối và ứng dụng của điện trở. Etinco sẽ tiếp tục cập nhật thường xuyên các kiến thức về ngành điện tại: https://etinco.titanweb.vn/tin-tuc/kien-thuc/

