CB chống giật ELCB LS 32GRhS 2P 15A 30mA 2.5kA là dòng ELCB với dòng rò định mức 30mA, đảm bảo an toàn cho hệ thống điện tại ngưỡng cường độ 15A. Thiết kế 2 cực (2P) với khả năng chịu dòng ngắn mạch 2.5kA, sản phẩm dành cho các ứng dụng điện dân dụng và thương mại nhỏ.
Thông số kĩ thuật ELCB LS 32GRhS 2P 15A 30mA 2.5kA:
| Thông số | Chi tiết |
| Mã sản phẩm | 32GRhS 2P 15A |
| Dòng sản phẩm | ELCB 32GRhS |
| Dòng điện định mức | 15A |
| Số cực | 2P |
| Dòng cắt ngắn mạch | 2.5kA |
| Mức ngắt dòng rò | 30mA |
| Lắp đặt | Thanh ray DIN |
| Tần số hoạt động | 50/60 Hz |
| Tiêu chuẩn | IEC 60947-2 |
| Xuất xứ | Hàn Quốc |
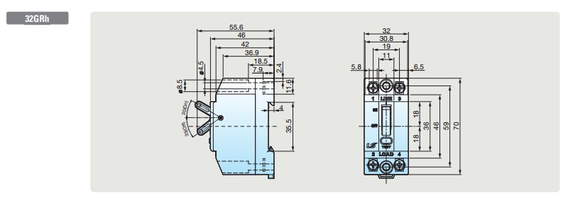
Kích thước CB chống giật ELCB LS 32GRhS 2P 15A 30mA:

CB chống giật ELCB LS 32GRhS 2P 15A 30mA 2.5kA dùng ngăn dòng rò điện, bảo vệ quá tải và ngắn mạch cho hệ thống.
Thông tin liên hệ mua hàng:
- Gọi ngay: 0904 99 88 77
- Email: kd@etinco.vn
- VP Miền Bắc: 33 BT5, KĐT mới Pháp Vân - Tứ Hiệp, Yên Sở, Hà Nội
- VP Miền Nam: Số 19 Lý Văn Phức, Tân Định, TP Hồ Chí Minh