Khởi động từ kép còn được gọi là khởi động từ đảo chiều, dùng để đổi chiều động cơ. So với khởi động từ đơn, khởi động từ kép như được ghép từ 2 khởi động từ đơn giống nhau. Liệu cấu tạo, nguyên lý làm việc của 2 dòng này có tương tự nhau và làm thế nào thiết kế sơ đồ mạch điện cho cả 2 dòng, theo dõi bài viết dưới đây của Etinco.
Phân biệt khởi động từ đơn, khởi động từ kép
Khái niệm khởi động từ đơn, khởi động từ kép
Khởi động từ là thiết bị được dùng để khởi động hoặc dừng động cơ một cách an toàn, bảo vệ động cơ khỏi tình trạng quá tải. Khi đóng dòng điện qua khởi động từ, dòng điện đi qua tiếp điểm để tới động cơ. Khi có sự cố, tiếp điểm bên trong tách ra để ngắt dòng điện.

Khởi động từ kép là khởi động từ có hai contactor, dùng để thay đổi chiều quay của động cơ gọi là khởi động từ đảo chiều. Loại khởi động từ này muốn gắn thêm mạch thì phải lắp thêm cầu chì.

Nguyên lý hoạt động khởi động từ đơn, khởi động từ kép
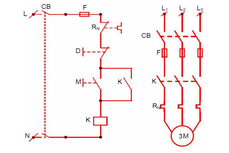
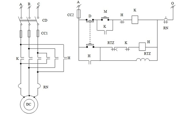
- Nguyên lý hoạt động của khởi động từ đơn
Khi cung cấp điện áp cho cuộn dây bằng nút khởi động M, cuộn dây Contactor có điện hút lõi thép di động và mạch từ khép kín lại. Khi nhấn nút dừng D, khởi động từ đơn bị ngắt điện, dưới tác dụng của lò xo nén làm phần lõi di động trở về vị trí ban đầu; các tiếp điểm trở về trạng thái thường hở khiến động cơ dừng hoạt động. Trong trường hợp có sự cố quá tải, rơ le nhiệt sẽ ngắt mạch điện cuộn dây, từ đó ngắt luôn khởi động từ và dừng động cơ.

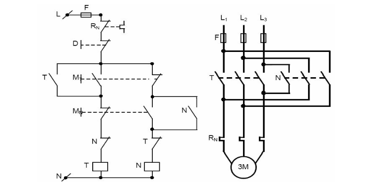
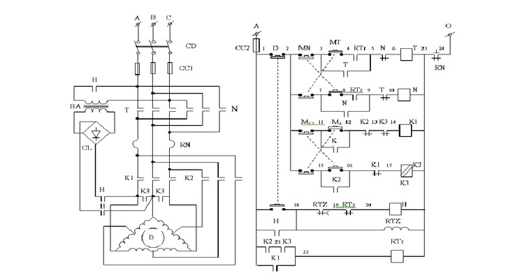
- Nguyên lý hoạt động của khởi động từ kép
Khi nhấn nút MT cuộn coil T có điện hút lõi thép di động và mạch từ khép kín lại; làm đóng các tiếp điểm chính T để khởi động động cơ quay theo chiều thuận và đóng tiếp điểm phụ NO để duy trì mạch điều khiển.
Để đảo chiều quay động cơ, nhấn nút MN cuộn coil T mất điện, cuộn coil N có điện hút lõi thép di động và đóng kín mạch từ; làm đóng các tiếp điểm chính N. Lúc này trên mạch động lực đảo hai dây trong điện 3 pha làm cho động cơ đảo chiều quay ngược lại và tiếp điểm phụ NO N được đóng để duy trì mạch điều khiển.

Khi nhấn nút dừng D, 1 trong 2 contactor dừng hoạt động, động cơ bị ngắt điện. Khi có sự cố quá tải động cơ, rơ le nhiệt sẽ ngắt điện cuộn dây và ngắt luôn khởi động từ.
14 sơ đồ mạch khởi động từ đơn, khởi động từ kép chi tiết
Những ký hiệu thông dụng trong mạch khởi động từ
- CB: Viết tắt của circuit breaker – cầu dao, có nhiệm vụ đóng/ngắt mạch điện
- CC1, CC2: Ký hiệu cầu chì, bảo vệ ngắn mạch cho mạch động lực và mạch điều khiển
- D, MT, MN: Ký hiệu các nút dừng và mở thuận/nghịch của contactor
- T, N: Ký hiệu của contactor thuận và nghịch
- RTZ: Ký hiệu rơ le thời gian, có nhiệm vụ điều khiển quá trình khởi động
- K1: Contactor nối dây hình sao
- K2: Contactor nối dây hình tam giác
- RN: Ký hiệu rơ le nhiệt, giúp bảo vệ quá tải động cơ
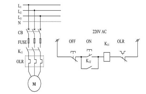
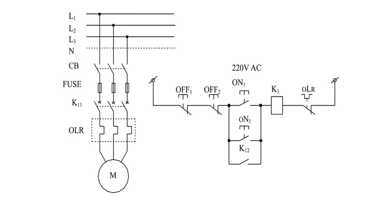
Mạch khởi động từ 3 pha dùng contactor đơn
Tuy mạch khởi động từ này khá phức tạp và có chi phí lắp đặt cao nhưng thao tác điều khiển lại dễ dàng, độ an toàn cao và có thể điều khiển từ xa.

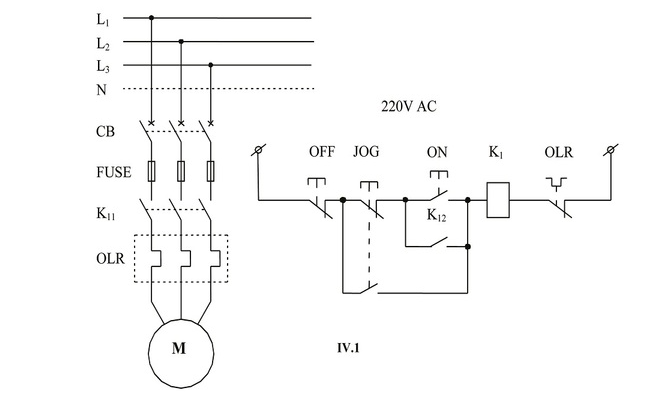
Mạch khởi động từ 3 pha có thử nháp
Mạch 3 pha thử nháp có sơ đồ khá giống mạch đầu tiên nhưng được sử dụng thêm bộ nút nhấn liên động JOG (2 tiếp điểm NO và NC nối liền nhau), được dùng để tạo lực ấn liên tục để khởi động động cơ.

Mạch động cơ 2 vị trí

Mạch khởi động từ đơn điều khiển bằng công tắc 2 vị trí đơn giản, rất dễ sử dụng nhưng lại gây nguy hiểm cho người sử dụng và ảnh hưởng đến cả cơ cấu vận hành của hệ thống khi xảy ra sự cố mất điện.
Đọc thêm: Hướng dẫn đấu khởi động từ 3 pha và 1 pha chi tiết
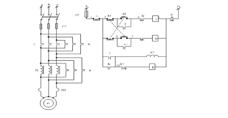
Mạch động cơ lồng sóc qua cuộn kháng
Mạch này cung cấp nguồn điện cho mạch động lực và mạch điều khiển với nguyên lý hoạt động là nối tiếp với mạch stator, một cuộn kháng 3 pha trong lúc khởi động rồi loại ra và đóng điện trực tiếp.

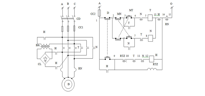
Mạch khởi động sao - tam giác

So với các mạch điện thông thường, mạch này có tác dụng giảm thiểu dòng điện cho việc khởi động. Mạch này có cơ chế khởi động hai chiều thuận nghịch. Ở chiều thuận, động cơ làm việc với cuộn dây stato đấu hình sao. Còn ở chiều nghịch, động cơ làm việc với cuộn dây stato đấu hình tam giác.
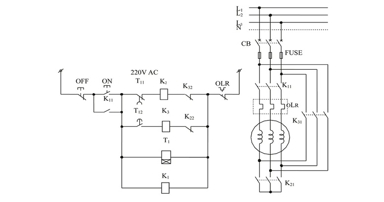
Mạch đảo chiều động cơ điện 3 pha

Mạch này sử dụng contactor kép để điều khiển động cơ với 2 chiều thuận nghịch.
Hãm động năng
Mạch kết hợp khởi động từ đơn và rơ le thời gian để điều khiển động cơ và hãm động năng.

Mạch tự động giới hạn hành trình

Trong mạch này, động cơ quay kéo theo tải di chuyển tới vị trí tác động công tắc hành trình làm ngắt điện contactor. Lúc này mạch hở nên không thể điều khiển động cơ chạy theo chiều thuận.
Mạch hãm ngược

Mạch kết hợp khởi động từ đơn và rơ le thời gian để điều khiển động cơ và hãm ngược.
Đọc thêm: Các sự cố thường gặp của contactor và cách kiểm tra
Mạch động cơ 2 cấp “sao - tam giác” kép

Mạch sử dụng nhiều động cơ đấu với hai cuộn dây nối hình sao và nối hình tam giác để điều khiển động cơ 2 chiều và hãm động năng.
Mạch mở động cơ theo thứ tự
Việc máy móc chạy theo thứ tự rất quan trọng trong một số nhà máy dây chuyền. Mạch này giúp giảm thiểu được sai sót do động cơ 2 chỉ hoạt động khi động cơ 1 chạy và động cơ 3 hoạt động khi động cơ 1 và 2 đều chạy, tắt động cơ 1 thì cả 2 động cơ còn lại đều dừng.

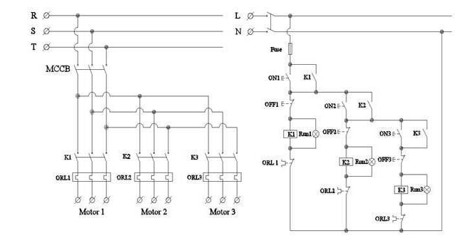
Mạch điều khiển 2 động cơ chạy luân phiên
Thường các nhà máy dây chuyền sẽ sử dụng luân phiên 2 động cơ để tăng tuổi thọ cho động cơ hoặc khi cần hiệu suất cao nhất sẽ sử dụng cả 2 động cơ này.

Mạch tự động đóng điện cho động cơ dự phòng

Đây là mạch khởi động từ đơn dự phòng cho trường hợp cháy nổ hoặc sự cố, động cơ dự phòng sẽ thay thế động cơ chính.
Mạch động cơ tự động chuyển nguồn

Đây là phương án tốt nhất cho các nhà máy sản xuất dây chuyền khi gặp sự cố về điện, mạch sẽ tự động chuyển nguồn điện, tiếp tục cho động cơ hoạt động.
Trên đây là thông tin về sự khác nhau giữa khởi động từ đơn và khởi động từ kép, đi kèm là 14 sơ đồ mạch khởi động từ có tính ứng dụng trong sản xuất và thương mại. Để tìm hiểu thêm các kiến thức liên quan đến contactor và khởi động từ, vui lòng tham khảo: https://etinco.titanweb.vn/tin-tuc/kien-thuc/kien-thuc-contactor-ro-le/