Hiện nay, tụ bù hạ thế đóng vai trò quan trọng trong hệ thống điện, được ứng dụng rộng rãi trong điện dân dụng và điện sản xuất quy mô vừa và nhỏ. Cùng Etinco tìm hiểu về tụ bù hạ thế, các thông số kỹ thuật và vai trò của thiết bị này.
Tụ bù hạ thế là gì?
Tụ bù hạ thế là các loại tụ bù được đấu nối vào hệ thống điện hạ thế và các thiết bị có hệ số cosφ, mục đích là để nâng cao hiệu suất làm việc của các thiết bị điện và phòng ngừa phạt tiền theo quy định của ngành Điện lực.

Tụ bù hạ thế là một trong các thành phần chính trong các tủ điện bù công suất phản kháng giúp đảm bảo hệ thống có thể hoạt động một cách thông minh, an toàn và ổn định. Tụ bù hạ thế có cấu tạo bên trong gồm 2 bản cực là các lá nhôm dài được cách điện bằng những lớp giấy. 2 đầu của bản cực nhô lên khỏi mặt tụ và toàn bộ sẽ được cố định trong 1 bình hàn kín bằng kim nhôm và nhựa.

Thông số kỹ thuật của các loại tụ bù hạ thế
Điện áp, tần số, công suất, dòng điện và chỉ số điện dung là các thông số kỹ thuật quan trọng của tụ bù hạ thế.
Điện áp định mức: điện áp định mức của tụ thường cao hơn hoặc bằng với điện áp hệ thống.
- Tụ bù hạ thế 1 pha thường có các loại điện áp 230V, 250V.
- Tụ bù hạ thế 3 pha có các loại điện áp phổ biến như 230V, 380V, 400V, 415V, 440V.
Công suất định mức: Công suất phản kháng mà tụ có thể bù, ví dụ: 10kVAr, 15kVAr, 20kVAr, 25kVAr, 30kVAr,…
Dòng điện định mức: Dòng điện chạy qua khi tụ hoạt động, được xác định dựa trên công suất và điện áp của tụ:

Trong đó:
- I: dòng điện định mức (A)
- Q: công suất tụ (kVAr)
- U: điện áp định mức (V)
Tần số định mức: Tần số tiêu chuẩn là 50Hz, phù hợp với lưới điện quốc gia.
Chỉ số điện dung (microFarad): Khả năng lưu trữ điện của tụ. Ví dụ: 3 x 300.9 μF.
Các thông số khác:
- Tiêu chuẩn kỹ thuật: IEC 60831-1 và IEC 60831-2: tiêu chuẩn quốc tế và TCVN 8525:2010: tiêu chuẩn Việt Nam, áp dụng cho tụ điện xoay chiều tần số công nghiệp.
- Chỉ số bảo vệ (IP): Tụ bù khô thường có IP20 đến IP30. Tụ đặt trong tủ ngoài trời chuẩn IP43 trở lên.
- Nhiệt độ môi trường làm việc: tụ bù cần được vận hành trong khoảng từ –25°C đến +55°C.
- Tuổi thọ vận hành: tụ bù có tuổi thọ từ 100.000 đến 130.000 giờ vận hành trong điều kiện tiêu chuẩn.

5 vai trò của tụ bù hạ thế trong hệ thống điện
Bù công suất phản kháng cho hệ thống lưới điện hạ thế
Nếu hệ thống điện có hệ số cosφ nhỏ hơn 0.85 mà chưa lắp đặt hoặc đã lắp tụ bù điện mà vẫn không đáp ứng được nhu cầu thì sẽ bị phạt tiền theo quy định của ngành Điện lực. Việc lắp đặt hệ thống tụ bù hạ thế sẽ giúp giải quyết vấn đề trên.
Tiết kiệm hóa đơn chi phí điện
Đồng hồ lắp cho nhà máy hiện nay hiển thị 3 loại công suất cơ bản là: công suất thực P (kW), công suất phản kháng Q (Kvar) và công suất biểu kiến S (Kva). Số tiền mà các đơn vị tiêu thụ điện thường bị phạt là tiền mua điện năng phản kháng. Trong khi hộ dân thì tính tiền trên công suất P (kWh) thì doanh nghiệp phải trả thêm công suất phản kháng (Kvar).

Theo quy định của ngành điện lực, khi hệ thống điện của bạn có hệ số cosφ nhỏ hơn 0.85 thì lượng Q (công suất phản kháng) tiêu thụ bắt đầu được tính tiền. Để không bị phạt tiền, lắp đặt tụ điện là biện pháp tối ưu nhất. Có nhiều cách bù hệ số cosφ như bù cứng hoặc bù mềm, bù tự động hoặc thủ công nhưng phương pháp được sử dụng phổ biến hiện nay là bù mềm và bù tự động.
Giảm tổn hao trên dây truyền tải
Công suất điện bị tổn hao thường do 2 thành phần:
- Do công suất tác dụng thì không thể giảm
- Do công suất phản kháng thì có thể can thiệp. Sử dụng tụ bù hạ thế bù lại công suất phản kháng, đưa cosφ đạt càng gần mốc 0.95 thì mức hao tổn công suất càng giảm.
Giảm sụt áp
Công suất phản kháng là nguyên nhân chính dẫn đến sụt áp đường dây. Việc lắp đặt tụ bù sẽ giúp bù lại khoảng cách, đồng thời giúp các thiết bị, động cơ khi khởi động sẽ không xảy ra hiện tượng nóng hay cháy nổ.
Tăng khả năng truyền tải của dây
Dòng điện chạy trên đường dây gồm 2 thành phần là tác dụng và phản kháng. Lắp đặt tụ bù ở cuối đường dây sẽ khiến dòng phản kháng giảm xuống, do đó mà đường dây điện có khả năng chịu tải lớn hơn.
Xem thêm: Tụ bù trung thế: Cấu tạo, công dụng và lưu ý khi đấu
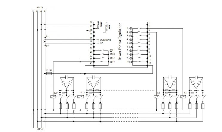
Sơ đồ đấu tụ bù hạ thế
- Trường hợp 1: Tín hiệu dòng điện và điện áp pha cấp cho rơ le phải cùng 1 pha. (đối với loại rơ le SK, Mikro)

- Trường hợp 2: Tín hiệu dòng điện lấy trên 1 pha còn tín hiệu điện áp dây cấp cho rơ le lấy trên 2 pha còn lại ( đối với loại rơ le SK, Mikro, REGO-Ducati). Riêng đối với rơ le REGO có thể đấu một trong 3 sơ đồ: FF-1 (Biến dòng 1 pha, điện áp dây 2 pha còn lại); FF2 (Biến dòng 1 pha, điện áp dây pha lắp biến dòng); FF-n (Biến dòng và điện áp pha cùng 1 pha). Sơ đồ đấu phải được cài đặt trong rơ le, thông thường sử dụng sơ đồ FF-1.

Lưu ý vị trí lắp đặt biến dòng: Biến dòng lấy tín hiệu đưa vào rơ le điều khiển tụ bù phải bao gồm cả dòng điện của tải và dòng điện qua tụ. Lắp biến dòng đúng cực tính: dòng sơ cấp đi vào K đi ra L, tín hiệu dòng thứ cấp cực K, L của biến dòng nối với cực K, L của rơ le ( mặc dù đa số các rơ le có thể tự động chọn cực tính). Tủ hạ thế có nhiều xuất tuyến thì biến dòng phải lắp tại cáp liên lạc.
Xem thêm: 5 cách kiểm tra tụ bù chuẩn kỹ thuật và khắc phục sự cố
Thị trường hiện nay có rất nhiều hãng sản xuất tụ bù hạ thế. Etinco tự hào là đơn vị nhập khẩu và phân phối các loại tụ bù chính hãng 100% từ các thương hiệu uy tín trong và ngoài nước như: Nuintek, Samwha, Mikro, BTB Electric,... Để nhận được tư vấn nhanh nhất, vui lòng liên hệ 0939 66 44 22.
Ngoài ra, để tìm hiểu các kiến thức khác liên quan đến tụ bù, hãy theo dõi chúng tôi tại: https://etinco.titanweb.vn/tin-tuc/kien-thuc/