Bộ chuyển nguồn ATS Kyungdong KD06-F401A 4P 100A xuất xứ Hàn Quốc, được sử dụng để chuyển nguồn trong mạch điện 3 pha với điện áp AC 660V hoặc DC 125V, chu kì ON - ON. Sản phẩm được Etinco phân phối chính hãng, đầy đủ CO, CQ và bảo hành 24 tháng.
Thông số kỹ thuật ATS Kyungdong KD06-F401A:
| Thông số | Chi tiết |
| Mã sản phẩm | KD06-F401A |
| Dòng sản phẩm | ATS KD06 |
| Dòng điện định mức | 100A |
| Số cực | 4P |
| Dòng cắt ngắn mạch ngắn hạn | 5kA ~ 12.5kA |
| Trình tự chuyển mạch | A <-> B |
| Điện áp hoạt động định mức | AC 660V hoặc DC 125V |
| Điện áp điều khiển | DC 110V; AC 110V; AC 220V |
| Tương thích bộ điều khiển | KD06-30 |
| Tiêu chuẩn | IEC 60947-6-1 |
Kích thước ATS Kyungdong KD06-F401A (mm):

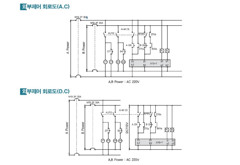
Sơ đồ mạch hoạt động và mạch điều khiển ATS Kyungdong KD06-F401A (đấu dây trước):


Thông tin liên hệ mua hàng:
- Gọi ngay: 0904 99 88 77
- Email: kd@etinco.vn
- VP Miền Bắc: 33 BT5, KĐT mới Pháp Vân - Tứ Hiệp, Yên Sở, Hà Nội
- VP Miền Nam: Số 19 Lý Văn Phức, Tân Định, TP Hồ Chí Minh